ЕТМ-112 муфта електромагнітна.
Електромагнітні фрикційні багатодискові муфти ЕТМ серії випускаються підприємствами України, Польщі та Росії. Установлювальні та приєднувальні розміри цих муфт практично збігаються, але, як кажуть, є деякі нюанси. Електромагнітна муфта ЕТМ-112 встановлюється в металообробних та інших верстатах для здійснення операцій, пов'язаних із перемиканням швидкостей, імпульсним під'єднанням навантажень, гальмуванням і зупинкоюячих валів і механізмів, здійснення реверсу обертання тощо.
Принцип роботи муфти ЕТМ-112
Принцип ґрунтується на передаванні зусилля від приводного до ведому валу через пакет фрикційних дисків, які входять до зачеплення, під впливом сили, що виникає унаслідок притягування якоря до котушки електромагнітна, під час подавання в її ланцюг напруги постійного струму.
Оскільки під час під'єднання електромагнітного блока до електричної мережі та виникнення зусилля електромагнітного поля відбувається практично миттєво, то диски входять до зачеплення за дуже короткий проміжок часу, що дає змогу здійснювати операції по передавання крутного моменту з дуже великою швидкістю. Що є дуже важливим чинником у технологічному процесі верстатного обладнання.
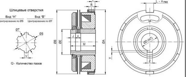
Муфта ЕТМ-112 конструкція й особливості.
Муфта складається з корпусу, у якому розташовані диски з магнітопровідного матеріалу, електромагнітна и якоря. Напруга на електромагнітний акумулятор передається через ковзний контакт щіткотримача ЕМЩ-2А.Фрикційні диски призначені для роботи в олійному середовищі. Тому муфта ЕТМ-112 називається ще контактна олійна муфта ЕТМ-112.
Муфта ЕТМ-112 може мати посадкове місце на вал, конструктивно виготовлені під шпону, а також за допомогою шліцьового з'єднання.

ЕТМ-112 -1А
ЕТМ-112-2А
ЕТМ-112-3А шпонкове посадкове.

ЕТМ-112-1Н
ЕТМ-112-2Н
ЕТМ-112-3Н виготовлення під шліц.

Купити муфту ЕТМ-112 у Києві, а також замовити доставку або надсилання в регіони, дізнатися про наявність і терміни постачання, придбати за безнальним розрахунком, отримати технічну консультацію Ви можете зв'язавшись із нашими менеджерами.
- Ціна: Ціну уточнюйте



