Муфта ЕТМ-092 станкова електромагнітна муфта.
Електромагнітна муфта ЕТМ-092 Нумо розберемося, що це таке і де її використовують.
Муфта фрикційна застосовується для передавання, а також увімкнення та вимкнення впливу крутного моменту від ведучого механізму, за допомогою фрикційних дисків, що входять до зачеплення. От способа, який використовується для того щоб диски входили у зачеплення, розрізняються різні типи цих пристроїв. Однією з найпоширеніших типів, яка використовується в конструкції верстатів, є електромагнітна муфта ЕТМ серії.
Муфта ЕТМ-092 теж належить до цієї серії. Відмітною особливістю в ній є те, що вона безконтактна й електромагнітна. Електромагнітна вона тому, що диски входять до зачеплення під впливом сили магнітного поля, що створюється котушкою приводного електромагнітного. Безконтактна ЕТМ092 тому, що в її конструкції для подавання напруги постійного струму на котушку не використовується ковзний контакт через щітку ЕМЩ-2А і напруга подається безпосередньо через провідник.
особливості муфт цієї серії. Конструкція ЕТМ-092
Як і всі муфти цієї серії, муфта ЕТМ-092 має три типорозміри, , які так само мають ще й по два виконання, що відрізняються за способом кріплення муфти на вал.
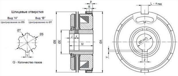
Електромагнітна муфта ЕТМ-092 також може бути шліцьовий, коли для посадки на вал використовується шліцьове під'єднання, так і мати гладке посадкове місце зі з'єднанням за допомогою шпону.
Шпонкове виготовлення — це муфта ЕТМ-092-1А, а також габаритів ЕТМ-092-2А и ЕТМ-092 3А.
Відповідно ЕТМ-092-1Н а також електромагнітна муфта ЕТМ-092-3Н и ЕТМ-092-2Н — це муфти зі з'єднанням через шліц.
шліцьове виготовлення

під шпанку
Використання електромагнітного керування фрикційним зачепленням дисків, , а також їхня робота в олійному середовищі, дає змогу проводити дуже швидке та часте під'єднання обертових механізмів верстатів, яке так необхідне під час точного оброблення металів та інших матеріалів.
Основні розміри муфти ЕТМ092 наведені в таблиці.

Муфта ЕТМ-092 у Києві купити ви зможете її, зателефонувавши до нас в офіс або ж залишивши заявку не електронною поштою або оформивши її через сайт. Наша організація також надає послуги з надсилання та доставляння цієї продукції по регіонах. Щоб отримати докладнішу інформацію за технічними характеристиками, способами оплати та доставляння муфти ЕТМ-092 і супутніх товарів Вам потрібно тільки знайти спосіб як зв'язатися з нами телефоном або через інший засіб зв'язку. Чекаємо вашого поводження з нетерпінням.
- Ціна: Ціну уточнюйте






