Муфта ЕТМ-122
Електромагнітна муфта ЭТМ-122 – контактна муфта 12 габариту, масляна, фрикційна, під шпонку або шліц.
Що можуть означати такі терміни ?
Електромагнітна Муфта ЕТМ-122 - електромагнітна вона називається тому, що вона приводиться в дію з допомогою зусилля створюється електромагнітним полем допротушки якоря , при подачі на неї напруги постійного струму 24В.
Це зусилля потрібно для того, щоб стиснути між собою кілька дисків.

Фрикційна вона тому, що зусилля і крутний момент від приводного механізму, на валу якого вона розміщується, передається під впливом сили тертя, через сполучені між собою фрикційні диски. Відключення даного зусилля відбувається, коли диски виходять із зачеплення.
Масляна муфта ЭТМ-122 тому, що її робота відбувається в масляному середовищі. ЇЇ або ж розміщують в маслі або відбувається полив маслом фрикційних дисків, що дозволяє виробляти охолодження самої муфти, а також виведення дисків із зачеплення з високою швидкістю.
Контактна муфта ЕТМ-122. Цю назву вона носить через те, що подача напруги в ланцюг котушки збудження електромагніта проводиться за допомогою ковзного контакту і щітки, яка вставляється в щіткотримач ЭМЩ-2А

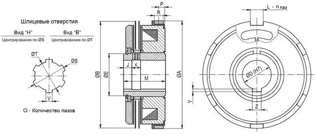
Конструктивно муфта ЕТМ-122 це муфта 12 габариту має три типорозміри та два різновиди посадки на вал. Посадка на вал може здійснюватися на шліци через шліцьове з'єднання, а також на гладку поверхню валу за допомогою шпонки - шпонкові з'єднання.

Шпонкові з'єднання застосовують для:
ЭТМ122-1А
ЕТМ-122-2А
ЭТМ122-3А
А відповідно шліцьове посадочне місце мають Э
ЭТМ-122-1Н
ЭТМ-122-2Н
ЕТМ-122-3Н
Технічні параметри ЕТМ-122 , характеристики і розміри

Встановлюватися на вал ці прилади можуть, як в горизонтальному, так і вертикальному положеннях. На їх роботу це майже не впливає. Єдине що потрібно забезпечити їх роботу в маслі.
Застосування принципу роботи електромагнітної муфти у верстатах для обробки металів дозволяє проводити включення і відключення обертальних механізмів майже миттєво.
Якщо Вам потрібно ЭТМ-122 купити в Києві або іншу електромагнітну муфту безпосередньо від виробника, а також замовити її надсилання або доставку по регіонам, дізнатися всі моменти про технічні характеристики, способи оплати і доставки, будь-ласка, зв'яжіться з нашими фахівцями для отримання консультації та уточнення всіх нюансів.
- Ціна: Ціну уточнюйте







