Насос СЦН-75/70
Сомовсмоктувальний насос для нафтопродуктів 1СЦН-75-70
Для перекачування і подачі палива на заправниках встановлюють насос СЦН-75/70. Цей агрегат звісно не єдиний, який застосовується як насос для бензовоза СЦН-75-75. На автозаправниках і автоцистернах, що використовуються для транспортування та перекачування бензину, дизельного палива, гасу, ракетного та авіаційного палива, встановлені насоси певної конструкції, яка забезпечує вимоги для агрегатів, що використовуються в таких випадках.
Цей агрегат повинен мати та відповідати певним характеристикам
Насос СЦН-75/70 для бензину, гасу, дизельного палива
По-перше, насос СЦН-75/70 самовсмоктувальний, що дає змогу йому підіймати паливо з певної висоти нижче рівня, на якому він встановлюється.

Він має непогану як для своїх розмірів продуктивність 75 м.кубічних за годину при номінальній потужності, що є вдвічі більше, ніж у його конкурентів - таких насосів, як СВН-80 і СЦЛ-00. Але варто зауважити, що й споживана потужність звісно буде більшою, і це потрібно враховувати під час встановлення його на певний автозаправник або під час агрегатування його в насосний агрегат АСЦН-75/70.
Конструкція СЦН-75-70
Насос має відлитий корпус з алюмінієвого сплаву. У цьому корпусі розміщується вал і два робочі колеса, перше вихрове колесо або його ще називають гвинт першого ступеня, яке слугує для створення вакууму та ефекту самовсмоктування рідини. А відцентрове колесо насоса 1СЦН-75/70 слугує вже для створення напору палива в напірному трубопроводі або рукаві.
Вал обертається на закритих підшипниках кочення. Для створення та забезпечення герметичності робочої камери використовують торцеве ущільнення насоса СЦН-75/70.
Оскільки переважно агрегат 1АСЦН-75/70 агрегатується з електродвигуном, з ним насос з'єднується через з'єднувальну муфту. Насос 1СЦН-75/70, який стоїть на автомобілі, має приєднувальний фланець для кріплення вала до валу роздавальної коробки потужностей.
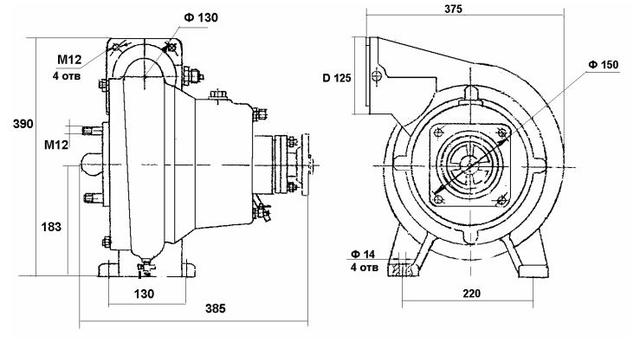
Габаритні та установлювальні розміри СЦН-75/70

Насос СЦН-75 характеристики
Продуктивність при номінальній потужності 75 м.куб/годину.
Напір 70 м.вод.ст
Номінальна кількість обертів 3000 обертів/хв.
Потужність споживана насосом, а відповідно й електродвигуна та двигуна в агрегаті 28-24 кВт.
Під час встановлення електродвигуна іншої потужності потрібно враховувати, що характеристики насосного агрегата будуть відрізнятись від номінальних.
Висота самовсмоктування рідини, з якої може підняти насос СЦН75-70, становить приблизно 7 м.
Вага насосної частини становить 28 кг.
Насосний агрегат АСЦН-75/70

Купити насос СЦН-75/75 у Києві, а також будь-який інший насос для бензовоза, заправника, Ви можете зв'язавшись з нашими фахівцями. Наша організація постачає насосне й інше обладнання для нафтобаз і заправних станцій і комплексів в асортименті. Здійснюємо постачання агрегату з електродвигуном насос для бензину, гасу, дизпалива. Можлива відправка та доставка обладнання в регіони. Також є пропозиції по запасних частинах насосного обладнання. До постачання пропонується робоче колесо, торцеве ущільнення вала на насос СЦН-75/70. Будемо раді вам допомогти.
- Ціна: Ціну уточнюйте





