



Насос КО-510 насос вакуумний КО510 асенізаторський насос КО-520, КО-523 на асенізаційну машину КО-510
55 500 ₴
- В наявності
- +380 (97) 838-20-17Київстар
- +380 (66) 905-13-11Водафон
Насос КО-510
Вакуумний насос КО-510
Насос на асенізатор КО-510
Насос КО-510 вакуумний насос асенізатора КО-510 встановлюється на автомобілях асенизаторів або ілососах, щоб створювати вакуум у цистернах вакуумних машин типу КО, водночас під дією надлишкового атмосферного тиску рідина з нечистотами через всмоктувальний рукав втягується в бочку цистерни. Для викачування рідини з цистерни насос КО-510 перемикають у режим роботи компресора, перемкнувши чотириходовий кран засувку на вакуумній системі автомобіля асенізатора в її інше положення.
Насос для асенізатора КО-510 насос на ілососну машину.

Пластинчастий роторний насос КО-510 встановлюють переважно на автомобілях типу КАМАЗ, обладнаних цистерною, бочкою або двома ємностями до 10 куб.м. Також можливе встановлення його і у вакуумну систему напівпричепів тракторних цистерн і бочок МЖТ.

приклад встановлення насоса КО-510 на автомобіль асенізатор
Вакуумний насос КО-510 конструкція й принцип дії

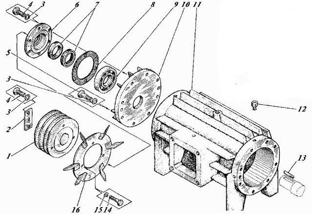
малюнок 1

малюнок 2
Обертаючись ротор насоса КО-510 (рис. 2 поз.6), що приводиться в рух через клиноремінну передачу та шків ( рис.1 поз.1) в порожнині корпусу (рис.1 поз.11) створює вакууметричний тиск з боку нагнітаючого вікна та розрідження з боку всмоктувального вікна за допомогою текстолітової лопатки (пластини). Під дією відцентрової сили текстолітова лопатка насоса КО-510 (рис.2 поз.7) виходить із паза та створює камеру між корпусом і ротором, та іншою лопаткою, захоплюючи та переміщуючи певну кількість повітря від всмоктувального до нагнітаючого вікна. Оскільки вал і порожнина корпусу неспіввісні один з одним, камера переміщення порції повітря є тільки у верхній частині порожнини. Вал встановлюється на підшипниках кочення. Корпус закривається з обох боків бічними кришками. Для охолодження корпусу на другий кінець валу встановлена крильчатка вентилятор.
Для змащування текстолітових пластин, що труться об корпус, а також підшипників кочення в порожнину корпусу та до підшипників дозовано подається мастило. Для цього встановлюється система мащення насосу КО-510 з трьома дозаторами та маслопроводами .
Насос вакуумний КО-510
має такі характеристики
- Споживана потужність, кВт 9,0+-0,6
- Продуктивність по повітрю м. куб./год 360
- Частота обертання об/хв 1450
- Максимальне розрідження, МПа 0,085
- Робочий тиск, МПа, не більш ніж 0,085
- Маса, кг, не більш ніж 125
- Габаритні розміри, мм, не більш ніж
- довжина 670
- ширина 310
- висота 338
Також ми пропонуємо Вам купити вакуумний насос КО-503 , який встановлюється на вакуумних машинах асенізаторів на базі автомобіля ГАЗ, ЗІЛ.
У насосах вакуумних КО-510 застосовуються пластини, лопатки розміром 420х47х5,5 мм.
Купити Насос КО-510, вакуумний насос КО-510, вакуумний насос на КАМАЗ насос на вакуумну машину, насос на асенізатор КО-510, насос К0-510, насос для асенізатора КО-510 Ви можете зв'язавшись із нашими консультантами.
| Користувальницькі характеристики | |
|---|---|
| насо вакуумний на камаз | вакуумний насос на маз |
| насос асенізатора | насос на асенізатор |
| КО-510 | вакуумний насос |
- Ціна: 55 500 ₴



