Насос СВН-80 насос на бензовоз СВН-80А насос для спирту ВС-80 насос на бочку АПВ цистерну автозаправник
Ціну уточнюйте
- В наявності
- +380 (97) 838-20-17Київстар
- +380 (66) 905-13-11Водафон
СВН-80 насос
СВН-80А вихровий насос на бензовоз
Корпус насоса відлитий зі сплаву алюмінію, що дає йому перевагу перед конкурентами у вазі та дає змогу загалом використовувати для перекачування різних типів палива, бензину, гасу води, дизельного палива, спирту.
ВС-80 насос на цистерну.
Насос для бензину, дизельного палива, насос для спирту, гасу СВН-80

Насос 1СВН-80А самовсмоктувальний вихровий насос.
Насос СВН-80А, застосовують для комплектації бензовозів, цистерн, автоцистерн АЗТ для перевезення паливно-мастильних матеріалів, бочок АПВ, напівпричепів на водороздатчиках ВР, і також агрегатують в електронасосний агрегат АСВН-80, 1АСВН-80А, а також на інших типах спецтехніки.
Насос за своїми характеристиками є вибухобезпечним, що дає змогу перекачувати ним рідини легкозаймисті та вибухонебезпечні, як-от бензин і спирт.
Широке застосування насос СВН-80 і його новий аналог ВС-80 знайшов у машинах комунального та сільського господарства для перекачування води та інших рідин, а також для проведення поливу та зрошення сільськогосподарських угідь з автомашин, транспортних тракторів та інших водороздавальних установок та агрегатів перевезення води АПВ (насос на водороздатчик ВР-3).
Привод здійснюється від валу відбору потужності (ВВП), або від двигуна автомобіля (трактора) через коробку відбору потужності та проміжну трансмісію. Також насос ВС-80 ( новий аналог) агрегатується з електродвигуном 11 кВт в електронасосний агрегат АСВН-80, 1АСВН-80.
Промисловістю випускаються насоси двох типів
Насос СВН-80А лівий , лівого напрямку обертання:

Насос СВН-80 правого обертання

Напрямок обертання валу залежить від того, на який автомобіль або транспортний засіб встановлюється цей насос - з бензиновим або дизельним двигуном, а також з огляду на вимоги конструкції трубопроводу.
Насос ВС-80 принцип роботи
Робоче колесо з радіальними лопатками, яке розміщується в закритому корпусі насоса циліндричної форми є основним робочим органом. Крильчатка вільно розміщена на валу за допомогою шпоночного з'єднання, що дає змогу їй самоцентруватись. Між колесом і корпусом є малі торцеві проміжки. Рідина надходить через всмоктувальний патрубок у канал і переміщується лопатками робочого колеса та викидається в напірний патрубок.
Вихровий насос СВН-80 у порівнянні з відцентровими має переваги:
1. Тиск на виході в 3-7 разів більший при однакових розмірах і частоті обертання робочого колеса;
2. Простіше, а отже, дешевше конструктивне виконання;
3. Вихровий насос СВН-80 має самовсмоктувальну здатність, що дає змогу підіймати рідину з глибини 5-6 метрів;
4. Може перекачувати суміш рідини з газом;
Недоліком цього насосу є його непридатність для перекачування рідин, що містять абразивні включення, що призводить до швидкого зношування стінок торцевих і радіальних проміжків, а отже, і падіння тиску та ККД.
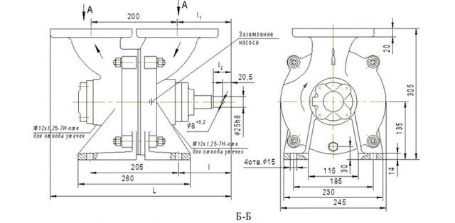
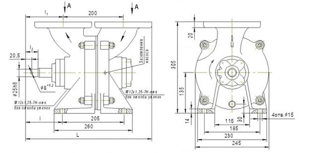
Насос СВН-80 і його технічні характеристики.
Продуктивність, м3/год 31,5
Напір, м 32
Частота обертання, об/хв 1450
Висота самовсмоктування, метрів, не більш ніж 6,5
Потужність, кВт 9
Габаритні розміри, мм:
- довжина 424 - ширина 245 - висота 305
Маса, кг 19

Також наша організація може запропонувати до постачання запасні частини до насосів СВН-80 — це

Робоче колесо СВН-80 вихрове крильчатка
Купити насос СВН-80 більш детально обговорити доставку та відправку або як здійснити купівлю насос СВН-80А, як проводиться обслуговування, яку гарантію та які гарантійні терміни має насос АСВН-80, де й як придбати насос для цистерни АПВ, насос на водороздатчик ВР і як встановити насос на бензовоз СВН-80А Ви зможете дізнатися зв'язавшись із нашими фахівцями.
| Користувальницькі характеристики | |
|---|---|
| Насос СВН-80 | насос на бензовоз |
| насос для бензину | насос для спирту |
| насос ВС-80 | аналог а насос СВН-80А |
- Ціна: Ціну уточнюйте










